13818867255
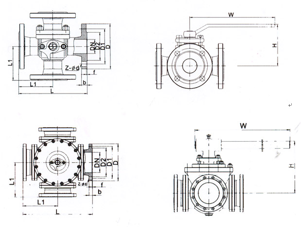
四通换向球阀为X形垂直通道的球阀,它的特点是球体的两条通道为X形布置,四个通道口径均布于球体赤道圆周截面上,当球体沿顺时针旋转90时,能使相对的两个通道实现两两互通。四通球阀系列可配置多种驱动装置

四通换向球阀为X形垂直通道的球阀,它的特点是球体的两条通道为X形布置,四个通道口径均布于球体赤道圆周截面上,当球体沿顺时针旋转90时,能使相对的两个通道实现两两互通。
四通球阀系列可配置多种驱动装置
四通球阀在石油、天然气、煤炭和矿石的开采、提炼加工和管道输送系统中;在化工产品、医药和食品生产种;在水电、火电和核电的电力生产系统中;在城市和工业企业的给排水、供热、和供气系统中;在农田的排灌系统中;在治金生产系统中得以广泛的应用,是一种与生产建设、国防建设和人民生活息息相关的重要机械产品。球阀密闭在各类管路系统种用于截断或接通介质流,使介质按照预定的程序输送到各个指定点。
| 公称压力 PN(MPa) | 试验压力 | |||
|---|---|---|---|---|
| 壳体 shell | 高压液密封 | 低压气密封 | ||
| 1.6 | 2.4 | 1.76 | 0.6 | |
| 2.5 | 3.75 | 2.75 | ||
| 4.0 | 6.0 | 4.4 | ||
| CLASS150 | 3.0 | 2.2 | ||
| 适用工况 | 适用介质 | 水、油品、气等非腐蚀介质和酸碱腐蚀介质 | ||
| 适用温度 | -28~350℃ | |||
| 应用规范 | 连接法兰 | JB79-59、GB9113、HG20592-97、ANSI B16.5 | ||
| 检验试验 | GB9/T9092-99、API598 | |||
其余制造规范均按本厂标准
| 零件名称 | 材质 | |
|---|---|---|
| GB | ASTM | |
| 阀体、阀盖 | WCB | A216-WCB |
| 密封圈 | PTFE、对位聚苯 | PTFE、对位聚苯 |
| 球体 | 1Cr18Ni9Ti | SS 304 |
| 阀座、阀杆 | 2Cr13 | A246-416 |
| 双头螺柱 | 35CrMoA | A193-B7 |

| 公称压力或压力级 | 主要尺寸 | 公称通径DN(mm/in) | |||||||||||
|---|---|---|---|---|---|---|---|---|---|---|---|---|---|
| 15/1/2〞 | 20/3/4〞 | 25/1〞 | 32/11/4〞 | 40/11/2〞 | 50/2〞 | 65/21/2〞 | 80/3〞 | 100/4〞 | 125/5〞 | 1520/6〞 | 200/8〞 | ||
| PN1.6 MPa | L | 150 | 150 | 180 | 200 | 220 | 240 | 260 | 280 | 320 | 380 | 440 | 550 |
| PN2.5 MPa | L1 | 75 | 75 | 90 | 100 | 110 | 120 | 130 | 140 | 160 | 190 | 220 | 275 |
| PN4.0 MPa | H | 90 | 90 | 102 | 115 | 135 | 140 | 155 | 185 | 210 | 275 | 305 | 335 |
| CLASS 150 | W | 140 | 140 | 155 | 250 | 250 | 350 | 350 | 420 | 700 | 1000 | 1300 | 1800 |
版权所有 © 纽浪(上海)阀门科技有限公司 备案号:沪ICP备14038546号-2 图文来源网络 如有侵权请联系删除
技术支持: 纽浪(上海)阀门